Features
◇ Filter dust and other particles from the vacuum flow.
◇ Transparent housing, easy to indicate the degree of contamination.
◇ Filter element is replaceable.
◇ Reduces the risk of operation breakdown or stoppage in the vacuum pump.
◇ Various nominal flow rate for option.
Application
◇ Suitable for vacuum system with light or medium dirt level.
◇ Ideal for using as prefilters, and fine filters for air with varying degrees of contamination
| How to order | |||
| ZFB 15 U ① ② ③ | |||
| ① Series | ② Connection thread | ③ Bracket | Material of filter element |
| ZFB | 10 - G3/8 Female thread 15 - G1/2 Female thread 20 - G3/4 Female thread 25 - G1" Female thread 40 - G1" 1/2 Female thread | U - Standard,with bracket | PE,Removal efficiency 10μm |
| Selection | ||
| Model | Filter element | Bracket |
| ZFB10 | ● | ● |
| ZFB15 | ● | ● |
| ZFB20 | ● | ● |
| ZFB25 | ● | ● |
| ZFB40 | ● | ● |
| Technical parameters | ||||||||
| Model | Operating pressure (kPa) | Material | Temperature (℃) | Removal efficiency (μm) | Nominal flow NL/min | Internal volume (cm3 ) | Filter area(m2) | Weight (g) |
| ZFB10 | -100~0 | PA PC PE | -20~80 | 10(PE) | 150 | 45 | 0.003 | 70 |
| ZFB15 | 900 | 195 | 0.01 | 168 | ||||
| ZFB20 | 900 | 205 | 0.01 | 170 | ||||
| ZFB25 | 2,520 | 495 | 0.019 | 424 | ||||
| ZFB40 | 5,100 | 675 | 0.023 | 550 | ||||

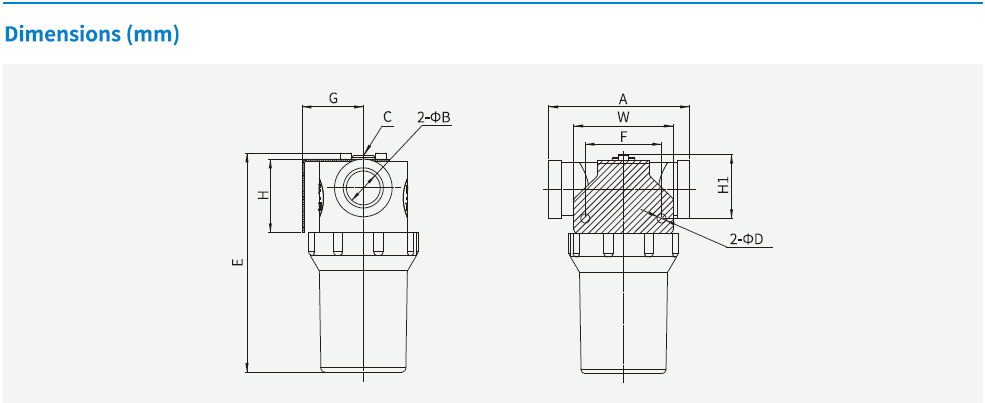
| Model/ Size | A | B | C | D | E | F | G | H | H1 | W |
| ZFB10 | 76.5 | 2-G3/8 | NPSF1/8 | 6 | 74.5 | 50 | 40 | 48 | 43.5 | 65 |
| ZFB15 | 91.5 | 2-G1/2 | NPSF1/8 | 6 | 134.5 | 50 | 40 | 48 | 43.5 | 65 |
| ZFB20 | 92 | 2-G1" | NPSF1/8 | 6 | 143.5 | 50 | 40 | 48 | 43.5 | 65 |
| ZFB25 | 127 | 2-G3/4 | NPSF1/8 | 6 | 169.5 | 70 | 56 | 52 | 48 | 85 |
| ZFB40 | 127 | 2-G1"1/2 | NPSF1/8 | 6 | 212.5 | 70 | 56 | 52 | 48 | 85 |
